Request information

Fill out the online form to be contacted by a salesperson

 

Personal data processing pursuant to Legislative Decree 196/03 and GDPR 679/2016 and to the applicable legislation
GDPR* Authorisation
I hereby consent to my personal data being processed as per the Privacy Policy.

Marketing Authorisation
I hereby consent to my personal data being processed for marketing purposes as per the Privacy Policy.

Third-party authorisation
I hereby authorise the communication of my personal data to third parties, including companies in the group and/or external third parties outside the group, such as industry operators for their marketing purposes.

* 如不接受该条款,我们将无法处理您的请求

GXS-40 NC I40

用于玻璃和石材加工的高速异步电机电主轴。非常适合铣削、钻孔、切割、抛光、斜切和雕刻。紧凑型设计垂直或水平安装在数控机床上也可安装在机器人上。

  • 可用刀柄:BT40 and ISO40 Hiteco
  • 最高转速12000 RPM可选陶瓷球轴承15000 RPM
  • 风冷
  • 刀柄不需要键槽,便于换刀
  • 主要部件采用INOX
  • Hiteco旋转接头用于刀具冷却
  • 套筒刀具冷却
  • 集成1VppTTL编码器可选
  • 接头监测传感器(可选)
Advantages

Hiteco旋转接头易于维护,可进行干式加工

JMS可选传感器可及时向设备报告旋转接头中的泄漏

通过可选的iM智能传感器监测振动和工作条件

前鼻适用于吸盘或刀具冷却分配器

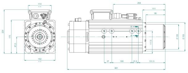
Layout
Performance
Technical data
技术规格
最大功率 S1/S6 kW 4/5
弯管 rpm 6000
最大旋转速度 rpm 12000
最大扭矩 S1/S6 Nm 6.7/8.4
电流 S1/S6 A 9/10
电压 V 380
电主轴类型 4极同步,带变频器
重量 kg 38

 

配置
刀具接口 ISO40
换刀类型 自动
冷却  

传感器

S1 (刀具夹紧)
  S2 (夹钳打开)

S3

S5 (传感器)

释放缸
双动轮胎

其他特性

水工具冷却
锥柄吹气

 

可选
iM Smart Sensor

15000 rpm 最高转速

编码器 1Vpp 或 TTL

套筒工具冷却
关节水传感器
Configuration
GX-1 11.5/6 12 I40
Technical sheet Download
Layout Download
Related products
GXM-115 I40
GXM-95 I40
GXM-130 I40
GX-80 I40
Request information

Fill out the online form to be contacted by a salesperson

Contact us